Detector Readout Systems
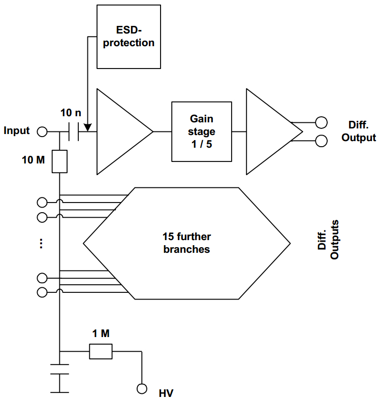
mesytec MPR-16-Series provides a set of state of the art multichannel preamplifier modules specially designed for single or double sided multistrip silicon detectors. The MPR-series can be used as stand alone modules and can also easily be combined with the mesytec MSCF-16 shaping -/timing filter/ discriminator module.
Features
  • 16 / 32 / 64 channel compact module
  • Sensitivity switch, factor 5
  • ESD input protection
  • Differential output 100 Ohm or
    MPR-16L with Lemo output connectors
  • Pulser input
  • Bias voltage up to ±400 V
  • PCB module available for vacuum use









© 2025 mesytec GmbH & Co. KG